Sitemize üye olarak beğendiğiniz içerikleri favorilerinize ekleyebilir, kendi ürettiğiniz ya da internet üzerinde beğendiğiniz içerikleri sitemizin ziyaretçilerine içerik gönder seçeneği ile sunabilirsiniz.
Zaten bir üyeliğiniz mevcut mu ? Giriş yapın
Sitemize üye olarak beğendiğiniz içerikleri favorilerinize ekleyebilir, kendi ürettiğiniz ya da internet üzerinde beğendiğiniz içerikleri sitemizin ziyaretçilerine içerik gönder seçeneği ile sunabilirsiniz.
Üyelerimize Özel Tüm Opsiyonlardan Kayıt Olarak Faydalanabilirsiniz
Buzdolabı Arızaları Ve Çözümleri
Regülatör, karmaşık bir kelime alarak algılansa da aslında günlük yaşantımızda bir çok yerde kullanılan bir üründür. Mesela; arabamızda, cep telefonumuzda, evimizdeki bir çok elektronik eşyada kullanılmaktadır. İşte bu kadar farkında olmadan, kullandığımız bu elektronik komponent nedir ne işe yarar?
Tasarımına bağlı olarak DC veya AC voltaj seviyesini korumak için tasarlanmış elektronik devre elemanıdır. Neden regülatör kullanırız? DC ve AC voltajları stabilize eden voltaj regülatörleri, hassas elektronik elemanları (işlemci ve diğer elemanlar) korumak ve düzgün çalışmasını sağlamaktadır. Devrede kullanmak için elinizde 9V olabilir, fakat size 5V gereklidir, bunu stabil şekilde düşürmeniz gerekir (Buck). İşte tamda bu noktada regülatöre ihtiyaç duyarsınız. Basit ve düşük güçte bir regülatör tasarlamak istiyorsanıız bunu bir diyot yardımı ile yapabiliriz. Güç ve verimlilik artıkça devre elemanları da artmaktadır. Bunun için ise doğrusal veya anahtarlama voltaj regülatörleri tercih edilir.
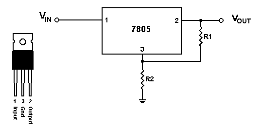
Bu tip regülatörler, devrenizde bir voltaj bölücü görevi görür, düşük güç ve düşük maliyetli uygulamalarda tercih edilir. Doğrusal regülatör giriş voltajı değişkenlik gösterse bile sabit bir çıkış voltajı sağlamaktadır. Örneğin, LM7805 gibi 3 pimli doğrusal voltaj regülatörü, giriş voltajı 36 volt değerini aşmadığı sürece size çıkış olarak 5 volt ve 1 amperlik çıkış sağlar.

Lineer Voltaj Regülatörleri
Doğrusal tip regülatörler direnç mantığı ile çalıştığı için ısı meydana gelmektedir. LM7805 ile tasarlanan bir devrede giriş voltajı, 10 volt ise devre elemanı üzerinde 5 voltu harcaması gerekir, buda 5 wattlık bir ısı meydana getirir ve % 50 verimle çalışır. Aynı LM7805 regülatörünü alın ve girişine 7 volt verin devre elemanı üzerinde sadece 2 watt harcar ve % 71 verimlilik çalışır. Bu nedenle güç gereksiniminin fazla olmadığı uygulamalarda tercih edilir.
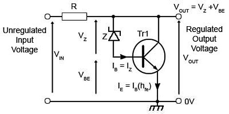
Doğrusal regülatör çeşidi olan seri voltaj regülatörü, yük ile seri olarak zener diyot kontrollü bir transistöre sahiptir. Burada regülatör, sabit ve tutarlı bir çıkış voltajı sağlamak için değişken bir giriş voltajına bağlı olarak direnci arttırıp azaltmaktadır.

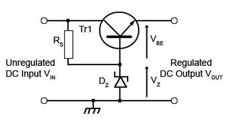
Şönt voltaj regülatörü bir seri voltaj regülatörüne benzer şekilde çalışır, ancak yüke seri olarak bağlanmaz. Fazla voltajlar direnç sayesinde toprağa gönderilir.
Kullanım alanları:
Anahtarlama regülatörleri, giriş ve çıkış voltajlarınız arasındaki volt farkı fazladır. Doğrusal voltaj regülatörleriyle karşılaştırıldığında, anahtarlama voltaj regülatörleri bu alanda daha verimlidir. Verimlilik artığı gibi devredeki karmaşıklıkta artmaktadır.
Bir anahtarlama regülatörü, bir transistör yardımıyla devreyi kontrol eder. Bu açma/kapama anahtarlama işlemi sırasında bazı dezavantajlar oluşur. Anahtarlama regülatörünüz ne kadar hızlı değişirse, iletkenlikten yalıtkan bir duruma geçmek için o kadar fazla zaman harcar ve bu da dönüşüm verimliliğinde genel bir azalmaya yol açar. Ayrıca bir anahtarlama regülatörü ile devrenizde doğrusal bir voltaj regülatöründen çok daha fazla gürültü elde edersiniz.
Bununla birlikte, anahtarlama regülatörleri mevcut voltajı aynı zamanda tersine çevirebilir.
Giriş voltajını yükselterek sabit şekilde tutmaktadır.

Devredeki voltajı yükseltip, azaltan ve ters çeviren bir regülatördür. Genelde güç dönüşüm ve verimliliğinin önemli olduğu, giriş ve çıkış voltajları arasındaki farkların yüksek olduğu durumlarda kullanılır.